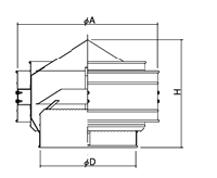
納まり参考図
(HD型)外形寸法表(ガルバリウム鋼板製を標準仕様)
(単位 mm)
| 型式 | 本体部分 | 袴部 | |||||
| φD | φA | H | 概算重量 kg | φD | La×Lb | M | |
| HD-450 | 460 | 715 | 575 | 11.0 | 450 | 650X650 | 210 |
| HD-500 | 510 | 760 | 580 | 12.0 | 500 | 700X700 | 210 |
| HD-600 | 610 | 980 | 730 | 18.0 | 600 | 840X840 | 210 |
| HD-750 | 760 | 1240 | 1010 | 51.0 | 750 | 1050X1050 | 280 |
| HD-900 | 910 | 1440 | 1150 | 82.0 | 900 | 1260X1260 | 280 |
| HD-1000 | 1010 | 1490 | 1160 | 90.0 | 1000 | 1400X1400 | 280 |
| HD-1200 | 1210 | 1800 | 1336 | 140.0 | 1200 | 1680X1680 | 280 |
袴寸法表(D・HD型)(袴はガルバリウム鋼板製を標準仕様)
(単位 mm)
| 型式 | φD | La | Lb | M | C | 板厚 |
| D-150 | 150 | 300 | 210 | 75 | 0.4 | |
| D-180 | 180 | |||||
| D-210 | 210 | 330 | ||||
| D-240 | 240 | |||||
| D-300 | 300 | 420 | ||||
| D-360 | 360 | 480 | 100 | |||
| D-400 | 400 | 550 | 0.5 | |||
| D(HD)-450 | 450 | 650 | 110 | |||
| D(HD)-500 | 500 | 700 | ||||
| D(HD)-600 | 600 | 840 | 130 | 0.6 | ||
| D(HD)-750 | 750 | 1050 | 280 | 200 | 0.8 | |
| D(HD)-900 | 900 | 1260 | ||||
| HD-1000 | 1000 | 1400 | ||||
| HD-1200 | 1200 | 1680 | 1.0 | |||
※袴をご注文の際には下記についてもお知らせください。また、取付工事も承ります。ご相談ください。
建物の用途による毎時間あたりの換気回数
| 建物の用途 | 排気回数 | 建物の用途 | 排気回数 | 建物の用途 | 排気回数 | 建物の用途 | 排気回数 |
| 汽関室 | 20~60 | 印刷工場 | 6~12 | 塗装工場 | 30~120 | 調理室 | 20~30 |
| 実験室 | 20~60 | 洗濯場 | 6~12 | 鋳造工場 | 10~30 | 病院 | 6~12 |
| 変電室 | 12~30 | 化学工場 | 12~30 | 食品工場 | 12~20 | 体育館 | 10~15 |
| 製粉工場 | 20~30 | 機械工場 | 10~15 | 紡績工場 | 6~12 | 車庫 | 2~4 |
| 木工工場 | 12~20 | 一般工場 | 6~10 | 倉庫 | 6~12 | 畜舎 | 6~12 |
| 事務所 | 12~20 | 染色工場 | 12~30 | 食堂 | 20~30 | 劇場 | 10~20 |
各地の平均風速(m/s)
※気象庁データより、2000年までの統計から引用。
| 地名 | 風速 | 地名 | 風速 | 地名 | 風速 | 地名 | 風速 | 地名 | 風速 |
| 稚内 | 4.5 | 仙台 | 3.4 | 名古屋 | 2.9 | 奈良 | 1.5 | 徳島 | 3.1 |
| 網走 | 3.2 | 福島 | 2.4 | 岐阜 | 2.4 | 大阪 | 2.6 | 高知 | 1.8 |
| 根室 | 5.3 | 宇都宮 | 2.9 | 高山 | 1.4 | 和歌山 | 3.8 | 高松 | 2.4 |
| 釧路 | 4.8 | 前橋 | 2.8 | 津 | 4.2 | 神戸 | 3.1 | 福岡 | 2.9 |
| 帯広 | 2.3 | 水戸 | 2.2 | 新潟 | 3.5 | 姫路 | 2.8 | 佐賀 | 3.2 |
| 旭川 | 1.7 | 熊谷 | 2.4 | 長野 | 2.4 | 鳥取 | 3.1 | 長崎 | 2.2 |
| 札幌 | 3.8 | 東京 | 3.3 | 富山 | 2.9 | 岡山 | 3.2 | 大分 | 2.6 |
| 函館 | 3.6 | 銚子 | 5.6 | 金沢 | 4.1 | 松江 | 3.3 | 熊本 | 2.3 |
| 青森 | 3.7 | 横浜 | 3.4 | 福井 | 2.7 | 浜田 | 3.6 | 宮崎 | 3.2 |
| 秋田 | 4.4 | 甲府 | 2.2 | 舞鶴 | 2.2 | 広島 | 3.9 | 鹿児島 | 3.4 |
| 盛岡 | 2.8 | 静岡 | 2.2 | 京都 | 1.6 | 下関 | 3.3 | 名瀬 | 2.5 |
| 山形 | 1.6 | 浜松 | 3.4 | 彦根 | 2.6 | 松山 | 1.9 | 那覇 | 5.3 |


