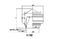
参考図
<SD型>外形寸法表
(単位 mm)
| 型式 | φD | φA | H | 概算重量 kg |
| SD-90 | 94 | 182 | 189 | 0.6 |
| SD-105 | 110 | 198 | 195 | 0.7 |
| SD-114 | 117 | 212 | 197 | 0.8 |
| SD-120 | 123 | 212 | 201 | 0.8 |
| SD-140 | 143 | 266 | 244 | 1.1 |
| SD-150 | 157 | 274 | 253 | 1.2 |
| SD-165 | 170 | 290 | 254 | 1.2 |
| SD-180 | 185 | 310 | 257 | 1.7 |
| SD-210 | 221 | 379 | 377 | 3.3 |
| SD-240 | 245 | 407 | 386 | 3.6 |
| SD-300 | 310 | 560 | 502 | 6.2 |
| SD-360 | 370 | 670 | 600 | 9.4 |
| SD-400 | 410 | 705 | 614 | 10.2 |
| SD-450 | 460 | 800 | 719 | 15.1 |
| SD-500 | 510 | 835 | 736 | 16.0 |
| SD-600 | 610 | 1100 | 975 | 33.6 |
| SD-750 | 760 | 1380 | 1185 | 63.7 |
| SD-900 | 910 | 1710 | 1442 | 96.4 |


