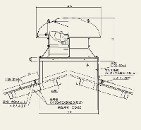
納まり参考図
外形寸法表
SVK型
| 型式 | □D (内寸) |
ΦA | B | H | 概算重量 kg |
| SVK-300S | 570 | 543 | 300 | 460 | 15 |
| SVK-300T | |||||
| SVK-400S | 710 | 716 | 300 | 570 | 20 |
| SVK-400T | 495 | ||||
| SVK-500T | 840 | 855 | 400 | 660 | 25 |
| SVK-600T | 950 | 1040 | 500 | 706 | 40 |
| SVK-750T | 1135 | 1325 | 600 | 820 | 80 |
| SVK-750TQ | |||||
| SVK-800TQ | 1200 | 1520 | 700 | 890 | 90 |
| SVK-900T | 1360 | 1690 | 700 | 890 | 120 |
| SVK-900TQ | |||||
| SVK-1050T | 1360 | 1850 | 800 | 1045 | 165 |
| SVK-1050TEX | 1122 | 210 |


